Mercury Impeller - 2.5/3.5/4/5/6 hp - 4-stroke 2/3.3/4/5 2-Stroke - Quicksilver - 47-161543
Code: 1
MPN: 47-8M0204676
Delivery Information
Currently we only deliver to the UK (inc. Northern Ireland), Channel Islands, Norway, Australia, New Zealand, Canada and USA for online ordering - please contact us on sales@bottomlinemarine.com if you live elsewhere.
Free shipping on UK orders over £75 (£5.95 for UK orders under £75)
Excludes certain heavy items
All prices include UK VAT - No customs or duty fees for UK orders
Description
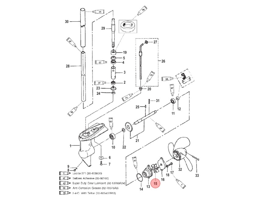
Quicksilver Mercury Mariner Impeller
Part number: 47-8M0204676
Superseded from: 47-161543, 47-16154
Genuine Quicksilver - Impeller
Fits some Mercury/Mariner:
2.5/3.5/4/5/6hp 4-stroke
2/2.5/3.3 (NON SHIFT) /4/5 2-Stroke
Dimensions:
Outer diameter: 33.6mm
Bore Diameter: 10.25mm
Thickness: 14.3mm
If unsure please contact us with the model and serial number of your outboard.
Specification List
| Type | Outboard motor parts | Tariff code | 84139100 |
|---|---|---|---|
| Sub-Type | Impeller | Country/Region of Manufacture | China |




