News
Services
Products
Boats for Sale
Videos
Customer Info
My Account
Login
Logout
Sign In
Free shipping on UK orders over £75 (£5.95 for UK orders under £75)
All prices include UK VAT - No customs or duty fees for UK orders
Menu
Home
Chartplotter-Fishfinder
Fishfinder
VHF - Mounted
VHF - Handheld
Radar
All Categories
Apparel and Novelties
Bags, Holdalls, Backpacks
Flasks, Mugs and Cups
Hats, Beanies, Caps
Keyrings, Floating keyrings
Pins, Cufflinks, & Badges
T-shirts, Polo shirts & Jackets
Wallets, Pens Watches & Belts
Cartography
C-Map
CF Format
Garmin Blue Chart
SD/MicroSD Format
Chandlery
Adhesives & Fillers
Anchors & Equipment
Anodes
attwood
August Race Boat Care Products
Bilge pumps and accessories
Binoculars
Cleaning and boat care
Clevis pins and fittings
Compasses
Deck filler caps
Drain bungs
Exhaust parts
Fasteners
Fendering
Fibreglass supplies
Flags and flag poles
Fluid transfer
GARELICK
General
Hoses
Inflatable dinghy accessories and repair
Inlet water strainers
Inspection covers and hatches
International Paints
Life Buoys
Life Jackets & Buoyancy aids
Mooring compensators
Navigation lights
Oil spill control
Oils, Greases & Corrosion inhibitors
Outboard motor accessories
Plumbing fittings
Quick Nautical Equipment
Rollers, Paint brushes & accessories
Sail & rigging
Sealants
Sheets, Ropes & Anchor-line
Stainless hardware
Talamex
Talamex impellers
Tape
Toilets and spares
Water pressure pumps and accessories
Electrical
Battery boxes
Battery Cables
Battery Chargers and Accessories
Battery Isolator Switches
BEP Marine
Bilge Blowers
Bilge pumps and accessories
Blue Sea Systems
Bus Bars & Fuse Blocks
Fuses and Circuit Breakers
Horns
Inverters
Lectrotab Trim tabs
LED Lighting
Mastervolt
Navigation Lights
Pressure pumps and accressories
Quick nautical Equipment
Relays and Solenoids
Shore Power
Switches and Switch Panels
Terminals
USB charging and cables
Zipwake - Dynamic trim system
Electronics
Accessories
AIS
Autopilot
Battery monitors
Chartplotter - Fishfinders
Chartplotters
Czone Digital Switching
Fishfinders
Marine Audio
Marine VHF
Mounting solutions & Accessories
Networks - NMEA 2000 etc
Obsolete units (For reference)
Radar
Sailing Instruments
Transducers & Accessories
TV Antennas
Zipwake - Dynamic trim system
Fuel systems
Filler Caps
Fuel Additives
Fuel Filter Elements
Fuel Filters Complete
Fuel Lines and Fittings
Fuel Tank Vents
Fuel Tanks
RACOR Filters
Inflatable Dinghies & Tenders
Inflatable dinghy accessories and repair
Parts For Yam Inflatables
Quicksilver Inflatables
Yam Inflatables
Zodiac Inflatables
LONCIN Engines, Pumps & Generators
MerCruiser Parts & Accessories
Anodes
Bellows
Belts
Cooling system
Exhaust System
Fuel system
Gaskets and seals
Ignition system
Impellers
Internal Engine Parts
Keys, key switches & Killcords
Lube Monitor
MerCruiser Rigging Components
Oil filters
Propeller Nuts and tabs
Propellers
Remanufactured Motors
Sterndrive
Sterndrive Major Assemblies
Trim and Tilt System
Mercury / Mariner Outboard Motors
Large Outboards - 40hp to 300hp
Midrange Outboards - 8hp to 30hp
Pre Owned Outboard Motors
Small Outboards - 2.5hp to 6hp
Mercury / Mariner Parts & Accessories
Anodes
Belts
Care and covers
Controls & Accessories
Fuel System
Gaskets and seals
Ignition components
Impellers and water pumps
Keys, key switches & Killcords
Mercury / Mariner Rigging Components
Mercury Remote Controls
Oil filters
Oils & Greases
Other parts
Propellers
Service kits
Smartcraft
Tools
Mercury Electronic Parts Catalogue (MerCruiser and Outboard)
4-Stroke - Outboard parts
MerCruiser parts by model
Parts by model - 2-Strokes
Oil and Grease
2 stroke engine oil
4 stroke engine oil
Diesel engine oil
Gear oil
Grease
Steering & Trim oil
Personal Water Craft
Cruising - VX & FX
Recreation - EX & JetBlaster
Sport - GP1800 & Superjet
Wetsuits, Shoes & Gloves
Propellers & Accessories
Propeller Accessories
Propellers by Pitch - Aluminium
Propellers by Pitch - Stainless
Propellers for MerCruiser
Propellers for Mercury/Mariner
Propellers for Yamaha
Stainless propellers by Model
R&D Couplers and Mounts
Service Kits
MerCruiser Service Kits
Shire & Shanks Marine Engine Parts
Shire 15 15 & 15 20 Parts
Shire 2003E (2000 Build 3)
Shire 35 Parts
Shire 38 Parts
Shire 40 Parts
Shire 45 Parts
Shire 50 Parts
Stand Up Paddle Boards & SUP Accessories
Air Stand Up Paddle Boards - SUP
Stand Up Paddle Board - Pumps
Stand Up Paddle Board Paddles
Wetsuits, Shoes & Gloves
Steering & Controls
Engine controls
Gear & throttle cables
Hydraulic steering
Rack steering helms & cables
Rotary steering helms & cables
Steering accessories
Tow sports
Towables
WaterSkiing
Trailers
Trailer parts
Yamaha Outboard Motors
Large Outboards - 40hp to 350hp
Midrange Outboards - 8hp to 30hp
Small Outboards - 2.5hp to 6hp
Yamaha Parts & Accessories
2 Stroke Outboard - Parts by model
4 Stroke Outboard - Parts by model
Anodes
Control Cables
Electrical and Network
Fuel Filters
Fuel tanks and accesories
Gaskets and Seals
Genuine Yamaha Bolts
Gifts and Novelties
Ignition components
Impellers and Water pumps
Lower Gear Case Parts
Oil Filters
Oils & Greases
Other Parts
Outboard Security
Propellers
Service kits
Spark Plugs
Thermostats
Tools
Waverunner - Parts by model
Yamaha Hydra-Drive Parts
Yamaha ignition Keys
Yamaha Rigging Components
Yanmar Diesel Engines
YANMAR INDUSTRIAL & AGRI Parts & Accessories
3T Series Engines
3TN Series Engines
B25V (3TNE78A-B1A) Mini Excavator Parts
L100 Engine parts
L40 Engine parts
L48 Engine Parts
L70 Engine Parts
TNE Engine Parts
TNV Engine Parts
YM1500 Parts
YANMAR MARINE Parts & Accessories
1GM / 1GM-10
2GM / 2GM20 / 2GM20F / 2GM20-YEU
2YM15 / 3YM20 / 3YM30 Series
3GM / 3GM30 / 3GM30F / 3GM30-YEU
3HM / 3HM35 Series
4LV Parts
6CX
6LY Series
8LV
BY Series
JH Series
KM2P Gearbox
KM3P
KM5A Gearbox
LA Series
LH Series
LP Series
Other Yanmar
QM series
Saildrive SD20
Saildrive SD40 / SD50
Saildrive SD60
YSB8 / YSB12
YSE8 / YSE12
YSM8 / YSM12
ZT350 / ZT370 Sterndrive
News
Services
Services
Rates
Projects
Visiting Vessels
Products
Boats for Sale
Videos
Customer Info
About Us
Delivery & Returns
Contact Us
Mailing List
Privacy & Cookies
Terms & Conditions
Basket/Checkout
Product Catalogue
-
Mercury Electronic Parts Catalogue (MerCruiser and Outboard)
-
4-Stroke - Outboard parts
-
4-Stroke Carb - Outboard parts
-
2.5/3.5hp - 4-stroke Parts
-
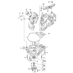
3.5hp (4-Stroke) 0R131842 & up
3.5hp (4-Stroke) 0R131842 & up
Categories
Electronics
YANMAR MARINE Parts & Accessories
Electrical
Yamaha Parts & Accessories
Mercury / Mariner Parts & Accessories
Oil and Grease
MerCruiser Parts & Accessories
Service Kits
Fuel systems
Chandlery
Apparel and Novelties
Featured
LONCIN Engines, Pumps & Generators
Trailers
Yamaha Outboard Motors
Inflatable Dinghies & Tenders
Yanmar Diesel Engines
Mercury / Mariner Outboard Motors
Cartography
Propellers & Accessories
YANMAR INDUSTRIAL & AGRI Parts & Accessories
Steering & Controls
Shire & Shanks Marine Engine Parts
Tow sports
Personal Water Craft
Stand Up Paddle Boards & SUP Accessories
R&D Couplers and Mounts
Mercury Electronic Parts Catalogue (MerCruiser and Outboard)
Parts by model - 2-Strokes
MerCruiser parts by model
4-Stroke - Outboard parts
Verado - Outboard Parts
4-Stroke Carb - Outboard parts
4 Stroke EFI - Outboard Parts
Choose a product category
Carburetor Parts
Fuel Tank - (Non-EPA) - 0R448033 and Up
Gear Assembly Housing Driveshaft
Gear Housing Assembly Prop Shaft
Service Parts
Tiller Parts
Clamp Bracket